氣動法蘭球閥概述:
是由法蘭式球閥與氣動執行器連接組成,根據作用形式不同可分為開關型和調節型兩種。
氣動法蘭球閥打開時,閥體通道和連接管徑形成一個通口,
介質可毫無阻力的流過,除了用于油品、氣體、液體等介質外,
還適宜控*污水和含有纖維性雜質的介質。
氣動法蘭式球閥裝配上閥門定位器輸入4-20mA的模擬量信號,
可對球閥的閥芯開度進行0-90度的任意控*,
從而達到介質流量、溫度、壓力等參數的比例式調節。
氣動法蘭球閥優點:
1,根據工況需要氣動法蘭式球閥可分為軟密封(-30~180℃)和
硬密封(-40~450℃)兩種密封結構,以便在不同介質、不同溫度及不同壓力的場所中合理使用。
2,氣動法蘭球閥動力源采用的是氣體,不會存在與火花接觸,理論上有防爆功能,相對來說比較安全。
并且如果漏氣的話,氣體可以直接排出,對環境沒有污染,同時具有較高的安全性。
3,從閥門口徑角度來說,由于扭矩力的原因,手動球閥一般只能配置口徑在DN300以下的球閥,
而氣動法蘭球閥可配置的口徑較廣,不僅可配置小口徑球閥,
也可配置口徑大的球閥,氣動球閥目前**可達到DN1200口徑。
|
氣動法蘭球閥可選配件: 三聯件:可對氣源穩壓、過濾、氣缸加潤滑油
回訊器:也叫限位開關,遠程反饋開關信號(可選防爆)
電磁閥:雙作用選二位五通、單作用選二位三通(可選防爆)
定位器:輸入4~20mA信號,實現閥門調節功能
手動機構:手操機構,可實現手動開或關閥 調節型附件:電氣定位器、氣動定位器、電氣轉換器。 切斷型附件:單電控電磁閥、雙電控電磁閥、限位開關回訊器。 |
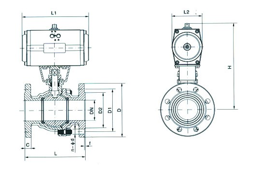
 氣動法蘭球閥結構圖 |
氣動法蘭球閥參數說明:
| 公稱通徑 |
DN15~DN300(mm) |
| 公稱壓力 |
PN1.6、2.5、4.0、6.4、10.0 MPa |
| 連接方式 |
法蘭式連接 |
| 驅動形式 |
壓縮空氣4-7bar(可帶手動裝置) |
| 溫度范圍 |
軟密封:-30~180℃;硬密封:-40~450℃ |
| 動作范圍 |
0~90° |
| 閥體材料 |
碳鋼、不銹鋼304、316、316L |
| 適用介質 |
水、蒸汽、液體、油品、腐蝕性介質等 |
| 控*方式 |
開關切斷式,調節型(定位器4-20mA模擬信號) |
| 作用形式 |
單作用彈簧復位(常開型,常閉型),雙作用(氣開氣關) |